竣工圖相信很多人都知道,但是竣工圖的繪制,都有哪些要求與規范呢?下面嵐禾深化設計為大家介紹,竣工圖繪制相關國家規范:
問
竣工圖繪制相關國家規范?
答
建設工程文件歸檔整理規范,GB/T50328-2014
質量要求
1:工程文件的內容、及其深度,必須符合國家有關工程勘察、設計、施工、監理等方面的技術規范、標準和規程;
2:工程文件的內容,必須真實、準確,與工程實際相符合;
3:工程文件采用,耐久性強的書寫材料,如碳素墨水、藍黑墨水,不得使用易褪色的書寫材料,如:紅色墨水、純藍墨水、圓珠筆復寫紙、鉛筆等;
4:工程文件,應字跡清楚、圖樣清晰、圖表整潔,簽字蓋章手續完備;
5:工程文件中文字材料、幅面尺寸規格,宜為A4幅面 (297mmX210nmm);圖紙宜采用國家標準圖幅;
6:工程文件的紙張,應采用能夠長期保存的韌力大、耐久性強的紙張;
7:圖紙一般采用藍曬圖,竣工圖應是新藍圖,計算機出圖必須清晰,不得使用計算機出圖的復印件;
8:所有竣工圖,均應加蓋竣工圖章:
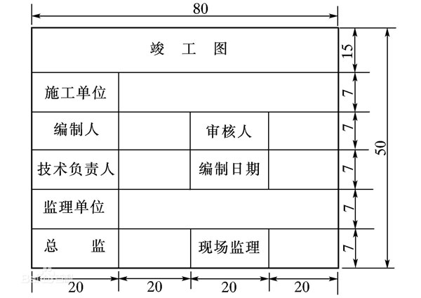
01:竣工圖章的基本內容應包括:“竣工圖”字樣、施工單位、編制人、審核人、技術負責人、編制日期、監理單位、現場監理、總監;

02:竣工圖章示例如下:
03:竣工圖章尺寸為:50mmX80mm;
04:竣工圖章,應使用不易褪色的紅印泥,應蓋在圖標欄上方空白處。
9:利用施工圖改繪竣工圖,必須標明變更修改依據:凡施工圖結構、工藝、平面布置等有重大改變,或變更部分超過圖面1/3的,應當重新繪制竣工圖;
10:不同幅面的工程圖紙,應按《技術制圖復制圖的折疊方法》(GB/10609.3--89)統一折疊成A4幅面(297mm×210mm),圖標欄露在外面。
各地要求和處理辦法不同,建議還是到當地建筑檔案館咨詢一下
溫馨提示
在文章的最后為大家總結,利用施工圖改繪竣工圖,必須標明變更修改依據:凡施工圖結構、工藝、平面布置等有重大改變,或變更部分超過圖面1/3的,應當重新繪制竣工圖。